* PayOnline-01-ФА, Казначей-ФА, PayVKP80K-ФА и комплексные решения для автомоек, "под ключ" СПб. +78127155292

PayOnline-01-ФА, Казначей-ФА для систем самообслуживания, быстро, качественно, "под ключ" СПб и по всей территории РФ. Комплексные ЛЕГАЛЬНЫЕ решения для моек и АЗС самообслуживания.

Новое и бу. http://vk.com/ztokkt +78127155292 info@unisel-cto.ru Whatsapp Telegram +7девять213669380  Без ГМО и консервантов!

* Заходите в наш чат в телеграме,  https://t.me/zloyreloaded

Обновить История
  • Nord_cat: quattro есть прошивки?
    30 Сентября 2025, 12:56:26
  • Nord_cat: cassida
    30 Сентября 2025, 12:55:39
  • vikt1: привет,сюда напишу,что то в ТГ все молчат))).есть серьезные партнеры Атола?нужно восстановить УИН кассы Атол 30
    25 Сентября 2025, 10:22:33
  • gold: HELP. Нужен КЗ 4 на АТОЛ 90Ф, №00107207688033
    17 Сентября 2025, 07:41:17
  • Talh: Добрый вечер. На весах атол ls5x такая ошибка - SD ERR 2, флешка microsd накрылась? Если новую, то максимально на сколько  Gb можно установить? Изначально установлена на 8Gb.
    13 Сентября 2025, 18:55:53
  • GenKass: Добрый день! Коллеги, восстанавливать КЗ в Эвоторе 7.2 после замены платы ФР необязательно начиная с прошивки версии 4701. Вопрос закрыт.
    08 Сентября 2025, 11:43:45
  • GenKass: Добрый день! Коллеги помогите восстановить КЗ в Эвотор 7.2 зав.№ 00307400968840. Заранее благодарю.
    05 Сентября 2025, 18:26:05
  • Talh: users user AppData\Roaming\SHTRIH-M\DrvFR\Tables
    04 Сентября 2025, 14:33:16
  • Nikmanis: Подскажите, может кто знает. Куда Тест драйвера штрих сохраняет резервные копии таблиц при обновлении кассы через DFU? А то сбой ОЗУ и автоматически не восстановил(
    04 Сентября 2025, 13:00:22
  • radian: Пока они в реестре ККТ, они никуда не отлетают. https://www.nalog.gov.ru/rn77/related_activities/registries/reestrkkt/
    02 Сентября 2025, 10:54:42
  • radian: to gold/
    02 Сентября 2025, 10:53:57
  • radian: в ФА УМ POSCENTER_210725
    02 Сентября 2025, 10:29:58
  • Dr.Kit: добрый день. есть ли у кого прошивка на штрих 21.07.25?
    30 Августа 2025, 11:02:55
  • vvm: прошивки посцентр и кктлаб в фа
    29 Августа 2025, 21:44:47
  • vvm: на экр есть прошивка
    26 Августа 2025, 07:52:33
  • gold: в связи с сентябрьскими новыми прошивками такие аппараты как атол 90ф, амс-100ф и экр-2102к-ф отлетают полностью ? Или ФНС даст доработать срок до окончания ФН ? Есть какая нибудь инфа ?
    21 Августа 2025, 10:37:07
  • vvm: 501_01 для 08 и 21 в ФА
    12 Августа 2025, 12:24:53
  • lan_7474: люди на атол 90ф реалбно восстановить кз 4 з/н 00107207646903
    31 Марта 2025, 06:04:48
  • vvm: FRS_21_01 в ФА
    03 Марта 2025, 18:48:26
  • radian: Привет всем. кто может выложить прошивку п.5 под Атол 50Ф (можно в ФА)
    22 Февраля 2025, 07:04:01
  • anjen: Всем ПРИВЕТ, нужен КЗ для Атола 90го переделать в ФР, есть у кого???
    31 Января 2025, 17:04:40
  • Nazim: Здравствуйте,может кто поможет ,нужен код защиты 4  атол 55ф 00108000234990
    31 Января 2025, 15:10:50
  • vlevg: в ФА добавил прошивки Посцентра и Штрих-м 2025г.
    14 Января 2025, 08:55:18
  • thigin: Друзья,скажите,где взять прошивку атол 5.15.0
    12 Января 2025, 16:59:54
  • radian: Привет. У кого есть доступ до сервиса Атол. Есть необходимость в переходе с 2.5 на 5,0. Напишите в Личку
    27 Декабря 2024, 09:49:39
  • vvm: radian: vvm:лицензии нужно при переходе на НДС 5/7% по Приму 08Ф? нужны, код поставки станет 6.1 LPC 24.10.24, если ничего не путаю
    21 Декабря 2024, 20:24:32
  • radian: vvm:лицензии нужно при переходе на НДС 5/7% по Приму 08Ф?
    20 Декабря 2024, 21:29:04
  • 2BEATtakeA: Здравствуйте,может кто поможет ,нужен код защиты 4  атол 55ф 00106209392845
    19 Декабря 2024, 22:36:27
  • 30: Понимаю единственный вариант.
    14 Декабря 2024, 20:59:00
  • vvm: Переходить на П5
    14 Декабря 2024, 18:29:21
  • 30: Возможно ли сейчас восстановить КЗ 4;10, лдя АТОЛ 91Ф (ЗН 00108204647665)?В место "умершего"подбросили рабочий блок платф.2.5 а КЗ восстановить не получается.Возможны ли варианты?
    14 Декабря 2024, 10:52:31
  • vvm: Добавлены прошивки инфо и фрс по 08 и 21 примам под новые ставки НДС для УСН
    10 Декабря 2024, 13:10:18
  • whookey: radian: может тут чёто есть: https://doc.shtrih-m.ru/
    17 Октября 2024, 11:17:08
  • radian: У кого имеется актуальная прошивка на ффд 1.2 Ритейл 01ФМ
    17 Октября 2024, 07:58:28
  • radian: Приветствую инженеры.
    17 Октября 2024, 07:57:57
  • Avesha: В ФА добавлены драйвера Атол версия 10.10.5.0
    06 Октября 2024, 03:41:57
  • hotpuls: Доброй ночи, кто может помочь восстановить КЗ на атол?
    24 Сентября 2024, 22:50:36
  • whookey: такого не было. была ошибка записи сертификата, чистил утилитой DeleteRSA1.0.3.1
    19 Сентября 2024, 11:10:06
  • ArtMon: После ввода адреса по справочнику ФИАС "ошибка отправки запроса"
    19 Сентября 2024, 08:30:30
  • whookey: получалось. на каком этапе затык?
    18 Сентября 2024, 14:00:59
  • ArtMon: Добрый день, второй день не получается через УТМ добавить ТТ, у кого-нибудь получалось?
    18 Сентября 2024, 10:54:13
  • 30: Доброго вечера,коллеги.Подскажите ctokas 1.3.007 с ККТ 5 платформы не работает?
    26 Августа 2024, 21:01:30
  • whookey: bpavel: там, вроде, по диапазонам з\н разные
    25 Июля 2024, 05:38:45
  • bpavel: поделитесь новым ядром Нева-01-ф
    24 Июля 2024, 12:07:22
  • astronavt: Кто нибудь может помочь с Горячей заменой Эвотор 7.2 ?
    21 Июля 2024, 16:40:57
  • Michail: После перешивки на другую версию,  реинициализации и зашивки обратно старой версии фк самоизлечился
    06 Июня 2024, 13:17:34
  • Michail: фн с прима был закрыт, при попытке фиск нового- фп исчерпана.
    06 Июня 2024, 11:29:35
  • Michail: 419 записей в фн, по сроку заканчивается завтра, после восстановления с 30 ошибки смену не открыл- фп исчерпана,
    06 Июня 2024, 11:28:56
  • vvm: Проверить ФН для начала
    06 Июня 2024, 10:35:57
  • Michail: Всем привет! Прим 07ф фискальная память исчерпана, куда копать?
    05 Июня 2024, 15:19:38
  • anjen: Всем Привет.
    04 Июня 2024, 19:53:12
  • vvm: Так в запросе на выгрузку с фронтола указывайте условия выгрузки отчета (новые продажи, или за период какой то и т.д.), за который хотите получить отчет. В руководстве интегратора Фронтол все разжевано.
    16 Мая 2024, 15:12:50
  • 30: Кто подскажет где "копать".Установили Frontol XPOS выгрузка продаж за смену(по обмену с 1С) идет с нарастающим.После Z-отчета последя смена прибавляется к педущим и это "объединение"уходит в обмен.
    16 Мая 2024, 11:15:40
  • vvm: Клавиатуру поменять
    26 Апреля 2024, 13:12:05
  • ШАК: Добрый день!На экране элвеса мф boot что делать?
    25 Апреля 2024, 19:20:04
  • Зотов Алексей: Добрый день! Подскажите где можно получить "№16 Релизная лицензия" подешевле?
    05 Апреля 2024, 10:57:23
  • lordbug: всем спасибо откликнулись.
    02 Апреля 2024, 10:02:25
  • lordbug: атол 91 прошита в последнюю версию плтаформа 5.0
    02 Апреля 2024, 09:44:42
  • lordbug: Здравствуйте товарищи, помогите пожалуйста с кодом кз1 (режим фр) для атол 91 ф зн ккт 00108206232626. у офф цена огромная.
    02 Апреля 2024, 09:42:21
  • vladimir59: А с КЗ10 не поможете на зав. номер 00106309041143 на атол 22птк
    13 Марта 2024, 13:35:34
  • radian: кз10 нашел
    05 Марта 2024, 09:12:35
  • radian: Приветствую. Нужен Атол 52Ф 00106402258103 КЗ4 и КЗ10 (был куплен)
    05 Марта 2024, 08:07:28
  • vik838: эвотор 7,2 и эвотор 7,3 - Железо разное.
    26 Февраля 2024, 11:18:40
  • wing22: Добрый день,Подскажите блок USB эвотор 7,2 и эвотор 7,3 одинаковые?
    16 Февраля 2024, 14:46:31
  • SDP: Всем добрый день! Может кто помочь в восстановлением лицензий Атол Sigma 8? Кабинет нам прикрыли пока. Налоговая долбит. Кассу нужно отдать
    14 Февраля 2024, 12:43:20
  • whookey: radian, https://teletype.in/@shtrih-support/C.3
    24 Января 2024, 07:10:45
  • radian: Обратились тут мне программисты по iiko говорят обнови прошивку на кассе Штрих до версии ФФД 1.2 С3 от 01.11.2023 (для пива в ЧЗ) но в ЛК Штриха ее нет. Может есть у кого?
    23 Января 2024, 17:24:58
  • radian: Всем привет и с н2024г
    23 Января 2024, 17:22:27
  • ksinas: Добрый день коллеги. Помогите приобрести КЗ1 на Атол91ф з.н. 00108206956839
    27 Декабря 2023, 08:37:45
  • angus: Да
    30 Ноября 2023, 19:58:31
  • angus: Народ, у кого есть возможность восстановить КЗ4 и КЗ10 № 00106303060107?
    27 Ноября 2023, 16:48:13
  • whookey: это печально
    17 Ноября 2023, 05:55:04
  • MIKHAIL_B: нет связи с кассой
    16 Ноября 2023, 17:16:16
  • wowan59: https://yadi.sk/d/RecnNoZa3VuSBF ( предустановлен ЛайтБокс для МТС )
    02 Ноября 2023, 10:01:27
  • lan_7474: Добрый день коллеги. Помогите приобрести КЗ1 на Атол90ф з.н. 00107208151638
    01 Ноября 2023, 09:22:09
  • Миха2007: Добрый день.Помогите нужен КЗ 10 к кассе Атол90ф з.н.  00107203161511
    06 Октября 2023, 11:12:49
  • radian: Добрый день. Нужен КЗ 10 к кассе Атол25 з.н. 00105703402950
    16 Сентября 2023, 09:50:04
  • want to know: Добрый день? Есть возможность получить КЗ1 для АТОЛ90Ф
    15 Сентября 2023, 08:42:50
  • mirroramur: Спасибо!
    14 Августа 2023, 07:30:59
  • vvm: добавил свежие прошивки на 08 и 21 прим
    02 Августа 2023, 13:10:22
  • vvm: https://www.ss-20.ru/index.php?action=downloads;sa=view;down=3564
    17 Июля 2023, 16:03:51
  • vvm: https://www.ss-20.ru/index.php?action=downloads;cat=419
    13 Июля 2023, 18:39:15
  • SDP: Коллеги,добрый день! Кто сталкивался с весами M-ER? Нужна схема подключения платы управления 333aclp
    06 Июля 2023, 14:39:07
  • mirroramur: Нет ли у кого схемы Атол 55ф плата al.p240.40.001 rev 6.3
    03 Июля 2023, 07:01:54
  • olegkattaev: whookey : спасибо!
    29 Июня 2023, 16:10:02
  • whookey: olegkattaev: через тест драйвера (например 5.17), меню 03, вкладка 4 (чек коррекции (ффд 1.05))
    28 Июня 2023, 11:38:25
  • Смирновка: Здравствуйте. Помогите с  лицензией на смену зав.номера. Заменить у Умки  донор № 0066000001001115 на новый номер №0496840008001191.
    27 Июня 2023, 18:21:55
  • olegkattaev: День добрый! нужен ваша помощь обратился клиент , Нужно сделать чеки коррекции  возврата на Штрих лайт 01ф не могу найти инфу!
    27 Июня 2023, 13:59:29
  • mrkop: Добрый день, где можно взять Лицензию на режим работы ФР для атол 91Ф? или купить по адекватной цене
    18 Июня 2023, 22:16:17
  • nik5363: Спасибо. Буду прообовать.
    15 Июня 2023, 10:31:04
  • whookey: сам не шил яичную прошивку, универсальную только
    15 Июня 2023, 07:31:24
  • whookey: nik5363: оно? https://kassa.mts.ru/support/instructions/goryachaya-zamena-oborudovaniya/
    15 Июня 2023, 07:30:09
  • nik5363: Здравствуйте. Подскажите, пожалуйста, еслси перепрошить Нева -01Ф универсальной прошивкой, можно будет потом пригрузить приложение "МТС Касса"? Если нет киньте ссылку на образ прошивки с МТС Кассой.
    13 Июня 2023, 14:56:26
  • vvm: https://www.ss-20.ru/index.php?action=downloads;cat=695
    29 Марта 2023, 15:31:49
  • radian: Добрый день. У кого есть прошивка? Ритейл 01Ф под ФФД1.2 - НУЖНО ЕЩЕ комплект модернизации покупать (1200) и переводить в Ритейл 01ФМ - вот это подстава от поставщика
    29 Марта 2023, 11:14:11
  • NoX: источник "йух" на писанно, но я то зна что.....
    28 Марта 2023, 23:56:56
  • NoX: https://halvakabinet.ru/prim-08f-oshibka-0010/
    28 Марта 2023, 23:56:02
  • NoX: че форум уж пизят на запчасти
    28 Марта 2023, 23:55:59
  • vvm: https://www.ss-20.ru/index.php?action=downloads;cat=695
    24 Марта 2023, 11:09:59
  • radian: Добрый день. У кого есть прошивка? Ритейл 01Ф под ФФД1.2
    24 Марта 2023, 10:16:13
  • GenKass: Вопрос с КЗ снят.
    13 Марта 2023, 09:42:46
  • rv6bv: Ошибка 1002 на aQsi 5ф при печати любого чека (техпрогон например) - куда копать?
    06 Марта 2023, 13:38:01
  • GenKass: Здравствуйте! Помогите, пожалуйста  с кодами защиты на атол 55ф КЗ-4, КЗ-10. Зав.№00106205907251. Спасибо!
    02 Марта 2023, 18:20:36
  • aleks77k: Irvine Спасибо!
    02 Марта 2023, 10:21:18
  • Irvine: КЗ-4 4118085745058648,    КЗ-10 0142127969870549
    02 Марта 2023, 09:20:30
  • aleks77k: С Добрым Утром не поможете с кодами защиты на атол 11ф 00106702698628 Заранее Спасибо на 8346
    02 Марта 2023, 09:04:24
  • aleks77k: С Добрым Утром не поможете с кодами защиты на атол 11ф 00106702698628 Заранее Спасибо
    02 Марта 2023, 08:47:23
  • whookey: wing22: прям там есть версия поновее, пробуйте, хоть я и не уверен, что в этой проге прям проще, чем в других
    21 Февраля 2023, 18:31:59
  • whookey: тут писал: https://www.ss-20.ru/index.php/topic,2570.msg21758.html#msg21758
    21 Февраля 2023, 18:29:49
  • wing22: Добрый вечер.Нужно списать крепкий алкоголь посоветуйте программу где проще всего это сделать
    18 Февраля 2023, 14:51:15
  • GenKass: Dr.Kit, а FNTest_1_2, не пробовал?
    11 Февраля 2023, 10:09:44
  • Dr.Kit: ребят, подскажите какой прогой считать архив фн ффд1.2? фн из эвотора
    10 Февраля 2023, 11:00:06
  • GenKass: Атол ККТ-История версий 2023 добавлена в ФА/Атол55ф/Эксплуатационная док-ция
    07 Февраля 2023, 14:17:34
  • GenKass: santarez, посмотри здесь:https://driverlib.ru/phoenix-x-01-2d-usb-drayver/
    07 Февраля 2023, 12:41:46
  • Lexatambov: Здравствуйте!У кого нибудь есть прошивка ПИРИТ1Ф Версия прошивки 165.0.9
    03 Февраля 2023, 12:28:19
  • santarez: phoenix x-01-2d-usb  коллеги    кто знает данный  сканер работает   с  маркировкой  ???  и если есть у кого мануал  можете  ссылку   на него ...  ни где найти не могу .
    01 Февраля 2023, 17:29:52
  • whookey: с наступающим, коллеги)
    31 Декабря 2022, 10:47:55
  • vvm: lelik7 в личке
    25 Декабря 2022, 12:37:29
  • lelik7: Атол 55Ф. Обновился до прошивки 12-8541 П 2.5, КЗ4 не принимает. Сможет кто помочь сделать КЗxx для неё? (Заводской номер: 00106200172711)
    24 Декабря 2022, 19:10:24
  • mixail: mtechnology. Касса на платформе 5.0, КЗ нет, только лицензии
    20 Декабря 2022, 13:18:47
  • mtechnology: Помогите, кто может! Нужны КЗ4 и КЗ10 для АТОЛ 30Ф,  00106129227652
    20 Декабря 2022, 12:12:38
  • витюха: Коллеги, вопрос. При смене з/н на 5 пл. скритп с БУ rev 6.3 на БУ rev 5.6 нормально зайдет?
    08 Декабря 2022, 20:35:41
  • viksss: хорошо,спасибо
    02 Декабря 2022, 14:44:44
  • zeronado: @zeronado , напишите в телегу
    02 Декабря 2022, 14:04:36
  • viksss: Атол 22 стоит 5.7.0 нужно обновить до последней прошивки
    02 Декабря 2022, 12:09:44
  • viksss: стоит 5 платформа нужно обновить до последней без маркировки Атол-22
    02 Декабря 2022, 12:04:37
  • zeronado: Что нужно?
    02 Декабря 2022, 10:47:54
  • viksss: Кто поможет с обновлением на Атол?
    02 Декабря 2022, 10:23:07
  • viksss: alfadog
    02 Декабря 2022, 10:21:08
  • whookey: в моём колхозе никто не зовёт ковырять этот штрих рмк. может нету его у нас?) а ТП чё говорит?
    01 Декабря 2022, 16:02:46
  • Koljamba: Верхнее ПО это Штриковский РМК-Кассир.-)
    25 Ноября 2022, 22:46:48
  • whookey: верхнее ПО разным бывает, так что зависит от)
    25 Ноября 2022, 14:00:02
  • Koljamba: Штрих. Верхнее ПО, говорят... а где там?
    24 Ноября 2022, 19:39:47
  • Koljamba: Но все же, как отключить проверку марок?
    24 Ноября 2022, 19:39:24
  • Koljamba: Не нашел в штрихах, в разделе, не знаю, нужна ли тема по этому вопросу?
    24 Ноября 2022, 19:39:06
  • anjen: Спасибо, разобрался)
    22 Ноября 2022, 22:57:00
  • whookey: anjen: можно шить без ключа утилитой KSL. правда в свежих прошивках реализована проверка дримкас ключа. гляньте на сайте дримкас в загрузках
    15 Ноября 2022, 06:36:31
  • anjen: Коллеги подскажите можно как-то удаленно прошить вики принт 57Ф удаленно? а то я читаю там ключ какой-то нужен или лицензия, без этого никак?
    14 Ноября 2022, 19:52:20
  • anjen: Всем Привет.
    14 Ноября 2022, 19:51:34
  • Newkid: чего! ? 8346, начиная с 84хх- лицензии
    03 Ноября 2022, 14:01:43
  • vvm: 8541
    03 Ноября 2022, 12:53:28
  • VVS: Добрый день. Подскажите, до какой версии Атол 30Ф работает с КЗ4?
    03 Ноября 2022, 12:01:40
  • NoX: после "не" там запятая )))
    25 Октября 2022, 05:06:17
  • NoX: не зашло через упорство и F5 часов в 16:17 зарегал  ккт...
    25 Октября 2022, 05:05:51
  • 753Erog: Ни в ЛК ЮЛ, ни в ЛК ИП не заходит 4-ый день
    24 Октября 2022, 15:59:07
  • NoX: В ЛК ЮЛ у всех норм заходит??
    24 Октября 2022, 15:48:56
  • buss: nyagan, спасибо. помогло
    07 Октября 2022, 14:03:57
  • nyagan: buss , драйвер ниже поставь!
    03 Октября 2022, 15:34:02
  • buss: Помогите решить проблему. Атол 77Ф не открывается смена (через тест драйвера тоже). (12) Не поддерживается в данном режиме. При этом режим 0, подрежим 0, смена закрыта. Прошивка 5.8.30. Драйвер 10.9.3.1. Фатальных ошибок нет.
    03 Октября 2022, 14:56:33
  • XpPro: поделитесь для атол 27ф РД
    30 Сентября 2022, 22:01:17
  • langust: У пользователя возникла ошибка проверки лицензии. Сколько дней он работал оффлайн? Хелп подскажите....
    28 Сентября 2022, 21:35:28
  • thigin: )))вот и я о том же,но еще фн 10 месяцев,жалко))
    16 Сентября 2022, 10:15:48
  • igor160272: ньюджеры - 91 и 92, а 90 что за фрукт - хрен знает)))
    16 Сентября 2022, 10:13:01
  • igor160272: тьфу блин, нифига конечно, не для ньюджеров
    16 Сентября 2022, 10:11:55
  • igor160272: ага
    16 Сентября 2022, 10:11:15
  • thigin: какую именно лицензию покупать?обновление ПО для ньюджеров?
    16 Сентября 2022, 09:53:57
  • igor160272: ну так это ФФД 1.05, что уже старо))) А так если устраивает, то покупка лицензии разовой или годовой и в ЛК АС получай лицензии
    16 Сентября 2022, 09:48:00
  • thigin: 8549 прошивка маркировка
    16 Сентября 2022, 09:30:45
  • igor160272: Атол 90 под маркировку? Эт откуда такие проши?
    16 Сентября 2022, 08:54:18
  • thigin: Привет,помогите!!,прошил атол 90ф под маркировку,теперь вместо КЗ1 требуется лицензия,где взять?
    16 Сентября 2022, 08:21:29
  • GenKass: vvm, спасибо.
    10 Сентября 2022, 08:13:14
  • vvm: насчет функционала клиент атол ру спросите в ТП АТОЛ
    08 Сентября 2022, 19:18:08
  • GenKass: vvm, огромное спасибо! А по поводу client@atol.ru?
    08 Сентября 2022, 14:35:31
  • vvm: Ответил в ЛС
    08 Сентября 2022, 10:26:15
  • GenKass: Добрый день! Очень нужен  КЗ4 АтолFPrint-22ПТК. Забыл указать ЗН Атола №00106307321880. Спасибо.
    07 Сентября 2022, 15:27:11
  • GenKass: Добрый день! Очень нужен  КЗ4 АтолFPrint-22ПТК. А кто знает почему недоступен client@atol.ru?
    07 Сентября 2022, 15:25:29
  • radian: видимо ШТРИХ монетизировал проблему с ФН 502? (Добавлен обход бага ФН серии 996044050x. Включается Т10П14 = 1. По умолчанию выключено. Настройка сбрасывается при техобнулении. Требует подписку на 3 кв. 2022 года.)
    31 Августа 2022, 15:05:24
  • mkos: кто-нибудь смог заставить mindeo 6600 рабтать под 10 в режиме com?
    31 Августа 2022, 15:00:24
  • SamBog: Благодарю.
    23 Августа 2022, 13:14:43
  • vvm: Они платные, заказываются в Инкотексе под конкретный зав номер кассы
    23 Августа 2022, 12:24:10
  • SamBog: Добрый день, ни у кого нет прошивки на Меркурий 130ф под ФФД 1.2 (17.06.2022)?
    19 Августа 2022, 12:57:39
  • klim: https://callcenter-cs.sigma.ru/   murzik76   здесь посмотрите
    31 Июля 2022, 10:36:50
  • murzik76: Добрый день. Атол Сигма 7 - подскажите где скачать более\менее свежую сервисную утилиту? Меняю ФН - глюк с "Касса уже зарегистрирована" , техобнуление не реагирует.
    30 Июля 2022, 10:30:42
  • vvm: в реале в ФН не должно стоять этой галки, считайте данные регистрации через тест драйвера ККТ для проверки
    27 Июля 2022, 17:38:26
  • vvm: это давний баг, не обращайте внимание
    27 Июля 2022, 17:37:18
  • GenKass: Доброго всем утра, дня, вечера! Коллеги, помогите разобраться. При плановой замене ФНа в Атол-11Ф в отчёте о изменение параметров регистрации пишет: ФФД ККТ: 1.05, а ФФД ФН: ПОДАКЦИЗНЫЙ ТОВАР? Почему? Или я что-то не догоняю?
    27 Июля 2022, 16:36:08
  • vvm: Обновил прошивки штриха https://www.ss-20.ru/index.php?action=downloads;cat=695
    20 Июля 2022, 14:38:34
  • Koljamba: Спасибо, так и думал, но боялся окирпичить-)
    19 Июля 2022, 18:58:48
  • vvm: https://www.ss-20.ru/index.php?action=downloads;cat=695
    17 Июля 2022, 13:31:06
  • Koljamba: Если в прошивке СП смотреть, то там 2020 год и все
    15 Июля 2022, 19:34:08
  • Koljamba: А не подскажете, прошивку как найти на Ритейл 01Ф на ФФД 1.2?
    15 Июля 2022, 19:32:04
  • anjen: ВСЕМ Спасибо! будем пробовать :)
    07 Июля 2022, 18:02:37
  • Propil: Мы привязали пару Атол 1Ф к БизнесПаку. Вполне рабочее решение для небольшого количества чеков за смену.
    07 Июля 2022, 14:52:44
  • vvm: https://www.ss-20.ru/index.php?topic=1184.0
    06 Июля 2022, 19:44:26
  • vvm: снизу страницы есть пара каких то пробивалок
    06 Июля 2022, 19:43:29
  • vvm: anjen https://www.ss-20.ru/index.php?action=downloads;cat=56
    06 Июля 2022, 19:43:04
  • anjen: Добрый, подскажите бесплатную программульку для пробитие чеков на ФР атол, в частности стоит 22Ф, просто чтобы выбить чек с нужным типом оплаты, знаю что можно через ДТО, умеем, но это как то долго, может есть более лайтовый вариант?
    06 Июля 2022, 18:14:43
  • vvm: Открыл
    05 Июля 2022, 22:06:54
  • Kassa01: Здравствуйте. Просьба, так же открыть доступ к теме с решением ФН. У нас их около 10.
    05 Июля 2022, 16:59:51
  • Aleks32br: Вот ещё способ решения проблемы -502 ФН - некоторые коллеги продают их через ОЗОН и Яндекс маркет...
    01 Июля 2022, 06:05:47
  • vvm: можно
    30 Июня 2022, 10:08:43
  • Crew59: Можно тоже доступ получить? Тоже попался 502 ФН вчера буквально.
    30 Июня 2022, 07:58:34
  • Aleks32br: Спасибо! Теперь есть понимание что с этим делать.
    29 Июня 2022, 19:28:07
  • vvm: Aleks32br, почитайте, открыл доступ
    29 Июня 2022, 14:33:25
  • Aleks32br: Спасибо за мудрый ответ. Но я думаю, что ссылка от VVM содержит более техничный рекомендации...
    29 Июня 2022, 11:26:41
  • MSOG: С партией ФН 502, не чего не сделать.Только возврат производителю
    28 Июня 2022, 18:45:46
  • Aleks32br: Ссылка не открывается, так что с этим 502ым фн сделать? Что то с питанием ФНа?
    27 Июня 2022, 21:09:34
  • vvm: возможное решение проблем 502 партии ФН
    07 Июня 2022, 20:13:05
  • vvm: https://www.ss-20.ru/index.php/topic,2645.new.html#new
    07 Июня 2022, 20:09:06
  • vvm: открыть смену
    07 Июня 2022, 20:08:11
  • santarez: как на штрихе   сделать обновление   ключей исм  ?
    07 Июня 2022, 14:17:29
  • Архимед: Блин, теперь надо найти где-то искомый проц. В штрихе нет, может у кого есть?
    01 Июня 2022, 14:41:27
  • mixail: хорошо если так
    01 Июня 2022, 13:20:21
  • Архимед: Поддержка штрих сказала, что у новых фн изменился протокол обмена, поэтому неверно передается номер фн в ккт. Лечится заменой процессора с новым загрузчиком 3.5.
    01 Июня 2022, 13:11:17
  • Архимед: Накануне ставил такие фн в атол 30 и в мерк 115, все прошло на ура, а с элвесом косяк.
    01 Июня 2022, 09:12:23
  • mixail: Вообще наверно вся партия ФН глючная
    01 Июня 2022, 09:09:21
  • mixail: я думаю что бесполезно, лучше где нибудь найти старую фн
    01 Июня 2022, 09:07:42
  • Архимед: Дело в том, что из старой партии не осталось ни одного ФН. Может, попробовать заказать процессор с новой прошивкой?
    01 Июня 2022, 09:01:02
  • mixail: Архимед: Меняй фн, поставь ее на атол, хотя у людей и на атолах проблемы
    01 Июня 2022, 08:40:38
  • Архимед: Здравствуйте. Пришла новая партия ФН-15 мес., раньше зн начинался 99604403, теперь 99604405. Установил в элвес-мф, при распечатке отчета о перерегистрации вместо номера фн БААААААААА96044. Может, кто сталкивался с таким?
    31 Мая 2022, 14:39:26
  • al878: Здравтсвуйте. Нужна лицензия Атол 55 на 5 платформу. Кто сможет помочь и цена вопроса?
    23 Мая 2022, 17:55:00
  • hotpuls: Добрый день. Нужно лицензия Атол 55 на 5 платформу. з/н 00106206214111, Кто сможет помочь и цена вопроса?
    20 Мая 2022, 18:38:58
  • nik5363: Здравствйте.Кто плотно работает со ШТРИХ-М, ответьте, пожалуста, на вопрос. Имеется Штрих - прошивка от 13.02.20; лицензии "НДС" и "Маркировка базовая" без ограничений; Подписка на обновление: 2019г.Если накатить прошивку от 22.12.20 - обновления в прошивке, относительно новшеств в Маркировке  будут работать или надо покупать лицензию на обновление?
    19 Мая 2022, 08:36:03
  • vvm: бета докфиллера
    13 Мая 2022, 15:17:52
  • vvm: https://www.ss-20.ru/index.php/topic,970.new.html#new
    13 Мая 2022, 15:17:46
  • svd6740: Загрузил в ФА 010 -й сервис-менеджер для СП 802 . ФФД 1.2
    27 Апреля 2022, 09:03:20
  • LwEwOwN: распаковать мигратор взять файл прошивки *.con или   В ДТО10 установить флаг включено (дККТ10/свойства/канал связи USB Модель автоматически )   Через ДТО10 – ПО ККТ загрузить данную прошивку на ККТ   Взять лицензии из файла licenses   дККТ10/Лицензии/из строки (ввести построчно)      или Через ЛК АС Кассы\Восстановление взять лицензии для П5   ДТО10 /Лицензии /Ввести лицензии из файла – удобнее вводит сразу все лицензии
    27 Апреля 2022, 08:16:43
  • doka2008: Было такое. В http://service.atol.ru напиши в техподдержку укажи номер ккт и версию прошивки. Должны выслать новый обновлятор. Мне за 10 минут вопрос решили.
    20 Апреля 2022, 12:09:27
  • cirius: Кто нибудь знает причину почему атол 30 не обновляется с версии 5.7.27 на 5.8.20? А вот с версии 5.7.20 обновление проходит успешно. Как решить проблему?
    20 Апреля 2022, 10:14:03
  • vvm: Пробить чек через ТД АТОЛ с КМ ФФД 1.2  https://www.ss-20.ru/index.php?action=downloads;sa=view;down=3269
    01 Апреля 2022, 11:27:03
  • vvm: Минимизация расхода чековой ленты штрих https://www.ss-20.ru/index.php?action=downloads;cat=704
    31 Марта 2022, 14:04:35
  • vvm: в личке
    31 Марта 2022, 13:48:54
  • IPoLet: помогите восстановить коды защиты 00106300251091 22 птк
    31 Марта 2022, 13:44:06
  • vvm: добавил еще один прокси
    29 Марта 2022, 12:05:38
  • vvm: https://www.ss-20.ru/index.php?action=downloads;cat=703
    28 Марта 2022, 17:56:50
  • vvm: Добавил прокси для ОФД
    28 Марта 2022, 17:56:15
  • Тортик: Добавил в архив Утилиту для тестирования ФН под ФФД 1.2 WIN_TEST_FN_OFD
    25 Марта 2022, 17:20:19
  • buss: Добавил в архив Pirit - Fito 2.4.0, Прошивка 565.1.13, ComProxy 2.4.25
    24 Марта 2022, 10:37:06
  • buss: Добавил в архив  АТОЛ KKT 10.9.2.6
    24 Марта 2022, 10:29:19
  • vvm: АТОЛ KKT10-10.9.2.3 добавил в архив
    17 Марта 2022, 11:25:52
  • santarez: у кого было похожее
    03 Марта 2022, 22:57:00
  • santarez: атол 77 ф   разрушительный сбой   пишет при попытке  снятия з
    03 Марта 2022, 22:56:43
  • LaserDance: у нас была ситуация с сигмами которые не обновляются несколько лет, оказалось нам продали ознакомительную сигму с бета прошивкой, которая не должна была попасть в массы , по этому прошить-обновить можно только отправив в москву
    09 Февраля 2022, 13:23:15
  • Irvine: Добавлены в ФА прошивки на Эвоторы 7.2(4.7.2), 5(4.7.2), 5i(4.7.4) под ФФД 1.2
    08 Февраля 2022, 11:24:32
  • Олег1950: serg3360   Эвотор поставил защиту от чтения и записи
    05 Февраля 2022, 13:35:27
  • nik5363: . подскажитеЗдрвствуйте! Принесли Атол Сигма 10, старую 2018 года с установленной Бифит кассой. Клиент просит установить родное Атоловское ПО, а она (ККТ) даже не обновляется. Кто сталкивался подскажите, пожалуйста, по -шагово, что с ней делать.
    03 Февраля 2022, 14:34:35
  • serg3360: Здрвствуйте! Эвотор 7.2 версия прошивки 4.3.0 , не хочет ни читаться ни прошиваться через flashtool, может есть какое то решение.
    02 Февраля 2022, 16:36:09
  • vvm: мерки в реестре под 1.2 с 28.01.2022
    28 Января 2022, 19:38:14
  • doka2008: Добавил в ФА для ЭКР прогу и РЭ под FFD 1.2
    27 Января 2022, 07:54:18
  • Avesha: Добавил в ФА прошивки планшета на Эвторы 7.3 и 10 версия 4.7.4
    25 Января 2022, 09:00:32
  • kassir: Всем привет. Нужен bootloader 5333 на Эвотор СТ2Ф.
    21 Января 2022, 13:02:13
  • procesor: Прошивки штрих от 20.12.21 для работы ТОЛЬКО с ФФД 1.2 в ФА
    14 Января 2022, 09:45:55
  • Irvine: Спасибо уже не надо.
    13 Января 2022, 12:31:20
  • Irvine: Привет! Помогите с КЗ 4 и КЗ 10 №00106220040492. Спасибо!
    13 Января 2022, 11:55:28
  • radian: Всем привет. С Наступающим Н 2022 Г. Кто может помочь с подпиской (лицензией) для маркировки? в 2019 г. вроде была
    31 Декабря 2021, 12:44:31
  • Talh: Добавил АТОЛ_22v2 Ф РД.pdf в файловый архив: в АТОЛ FPrint-22ПТК »Ремонтная документация»
    21 Декабря 2021, 12:20:43
  • cirius: Привет, добавьте инструкции по ремонту Атол 22Ф v2.
    21 Декабря 2021, 05:40:45
  • hydra: https://www.ss-20.ru/index.php?action=downloads;cat=299, спасибо.
    20 Декабря 2021, 14:32:44
  • hydra: Здравтсвуйте. Поделиться туллзой FRService ОФД для Прим-21ФА, пожалуйста.
    20 Декабря 2021, 14:24:22
  • Архимед: 2 дня с ОФД Петер-сервис переписывался, держат за дурачка, как будто я первый день с онлайн-кассами. По итогу, думаю, что-то они подкрутили, и касса, наконец-то, выплюнула чеки.
    10 Декабря 2021, 13:49:33
  • whookey: настройка офд для штрихов: https://kkmcom.ru/go.php?url=https://docs.google.com/document/d/1dLuTrYn6P-aOHpsB-zb3DT2xfF4F2xoWhoOyvr068bY/edit#heading=h.6w4rg254xzef
    10 Декабря 2021, 12:25:41
  • whookey: Архимед, попробуйте через kktproxy настроить передачу
    10 Декабря 2021, 12:24:59
  • Архимед: Здравствуйте. Ккт Ритейл-02 ф (он же штрих фр 02ф), после прошивки на ффд 1.2 перестал отправлять чеки. Настройки ккт и пк не менялись. Может, кто-то что подскажет.
    10 Декабря 2021, 10:15:59
  • vvm: Тест ФН под ФФД 1.2
    07 Декабря 2021, 18:46:19
  • vvm: https://www.ss-20.ru/index.php?action=downloads;sa=view;down=3190
    07 Декабря 2021, 18:46:07
  • radian: Sapir: Нужно точное название помещения Бар "Морячёк" или Ресторан "Палуба", чтоб могли по плану площадь посмотреть в т.ч. А обычно этим юристы занимаются, чтоб могли тЫкнуть выдавателям лицензий.
    07 Декабря 2021, 07:17:35
  • vvm: Добавил FN Arc 3.1.1.1 в ФА
    30 Ноября 2021, 13:13:21
  • Talh: Привет, какую конкретно тебе надо прошивку?
    26 Ноября 2021, 14:16:48
  • IPoLet: привет всем, помогите, киньте прошивку на складской атол 00106722078330
    25 Ноября 2021, 14:36:05
  • wing22: добрый день.эвотор 7,2 после перехода на 1,2 из яруса идут отчеты о ошибке "{""code"":420, tag"":""retailPlaceAddress"", message"":""Отсутствует обязательный тег""}, {""code"":420, tag"":""retailPlace"", message"":""Отсутствует обязательный тег""}"  кто сталкивался? адрес и место расчета задан
    23 Ноября 2021, 10:10:35
  • GenKass: Коллеги, доброго дня ( утра, вечера) поделитесь логином и паролем для входа в Атол Коннект. Спасибо!
    18 Ноября 2021, 17:38:56
  • Sapir: День добрый. Подскажите может кто сталкивался. Клиент пошел получать АЛКО лицензию, его развернули т.к. в ККТ адрес внесен не так как в договоре аренды. В договоре указано "полный адрес" помещение 4 и "полный адрес" помещение 5. Верно ли будет внести в адрес установки ККТ "полный адрес" помещение 4, 5?  Сам с таким впервые столкнулся
    11 Ноября 2021, 09:28:35
  • All-Asc: Здравствуйте. Клиент выломал кнопки (сам пластиковый нажиматель) вкл и настройки монитора на pos терминале. Где-то возможно найти на замену ? spark tt-2115
    03 Ноября 2021, 16:22:00
  • procesor: DrvFR_5.16_884 в ФА
    30 Октября 2021, 09:45:06
  • wing22: Ребята подскажите при смене адреса в бумажном заявлении Сведения из отчета о регистрации или отчета об изменении параметров регистрации  заполняются?
    29 Октября 2021, 20:34:16
  • vvm: Nikmanis, в личке
    19 Октября 2021, 11:39:47
  • Nikmanis: Всем привет, подскажите логин и пароль для входа в Атол Коннект?) А то нужно перевести на 5 платформу две кассы) Спасибо)
    19 Октября 2021, 10:30:58
  • mixail: caseed: Пиши в личку
    13 Октября 2021, 07:21:34
  • caseed: Доброго дня! Нужна помощь в приобретении апдейтеров для атол.
    12 Октября 2021, 12:25:34
  • Michail: whookey Спасибо!
    20 Сентября 2021, 14:22:46
  • Michail: nik5363 Если новая- в паспорте есть, версия какая?
    20 Сентября 2021, 14:21:25
  • vvm: оно код реаниацилизации просит
    20 Сентября 2021, 13:01:10
  • nik5363: Здравствуйте. Подскажите, пожалуйста, после замены ФН в ПРИМЕ 21ФА , пишет "НЕОБХОДИМО ВВЕСТИ КОНТРОЛЬНЫЙ КОД ККМ", это он просит сгенерировать КЗ или что-то там купить нужно у проиводителя?
    20 Сентября 2021, 12:39:36
  • ArtMon: с конур норм заходит при этом
    17 Сентября 2021, 10:20:25
  • ArtMon: сегодня ни у кого нет проблем с подписью тенора, не могу войти в лк ип?
    17 Сентября 2021, 10:19:58
  • whookey: Michail: вроде от 16.02.21, сам не зашивал, так что на свой страх https://disk.yandex.ru/d/QZqOPNxM59ERwQ
    13 Сентября 2021, 12:00:38
  • vvm: добавил актуальные прошивки для 1.05 и 1.2 для штрихов
    10 Сентября 2021, 14:05:51
  • vvm: https://www.ss-20.ru/index.php?action=downloads;cat=72
    10 Сентября 2021, 14:04:14
  • Michail: Фн на 36мес? какая ккм?
    10 Сентября 2021, 10:35:42
  • Michail: Спасибо, знаю, там только на 100ф
    10 Сентября 2021, 10:32:37
  • langust: Подскажите ,  ФН не может отправить чек, перепробовали способы отправки и разные ОФД . ФНу 2 года. Что с ним делать???
    10 Сентября 2021, 08:49:10
  • vvm: других нет, производитель амс300ф закрылся
    09 Сентября 2021, 10:22:45
  • vvm: https://www.ss-20.ru/index.php?action=downloads;cat=105
    09 Сентября 2021, 10:22:11
  • Michail: День добрый, есть у кого на АМС 300 прошивка последняя?
    07 Сентября 2021, 15:20:47
  • matvej: то есть берем любой USB - RS 232 , меняем RXD и TXD местами и все работает ? и даже никакого фейерверка ?
    04 Сентября 2021, 18:27:13
  • vvm: стр 73
    04 Сентября 2021, 16:39:42
  • vvm: https://www.ss-20.ru/index.php?action=downloads;sa=view;down=211
    04 Сентября 2021, 16:39:33
  • matvej: Добрый день , подскажите пожалуйста рабочий кабель USB - RS 232 для подключения к АТОЛ 77ф
    04 Сентября 2021, 15:40:13
  • Irvine: Добавлена в ФА прошивка 4.3.4 для Эвотор СТ2Ф
    03 Сентября 2021, 13:24:39
  • kassir: Добавлены в ФА драйвера Штрих  5.16.872
    03 Сентября 2021, 11:48:45
  • vvm: koss
    02 Сентября 2021, 21:28:06
  • vvm: koss
    02 Сентября 2021, 21:27:46
  • ismat: Добрый вечер. Никто не сталкивался с подключением Спарк 115Ф и Фронтол 6 или Хпос3?
    30 Августа 2021, 22:51:33
  • Gtli: драйвер 10.9 не хочет ничего делать пишет не поддерживается в данной версии
    29 Августа 2021, 15:45:59
  • Gtli: Добрый день! подскажите как откатить атол 55ф с 5 платформы на 2.5 если касса в режиме ошибки из за не работающего автоотрезчика
    29 Августа 2021, 15:44:00
  • Beloyar: Большое спасибо!
    24 Августа 2021, 04:42:06
  • Lageert: если на атол  стоит прошивка 5.8.3 и новее то версия будет 261, если прошивка под ффд 1.05 то версия 161, а версия 061 устарела и не актуальна
    23 Августа 2021, 13:26:30
  • Beloyar: Добрый день! Подскажите кто знает, как узнать номер версии модели ККТ АТОЛ 30Ф, в реестре их 3. Как понять какая версия у клиента?
    23 Августа 2021, 12:42:52
  • doka2008: Добавил в ФА прошивка на Mertech 600(2200) P2D  AT3300N201016D
    12 Августа 2021, 12:08:48
  • Newkid: Добали в ФА прошивки 5.8.3 для Атол 11Ф(кроме rev1.5),22Ф, 25Ф, 30Ф,55Ф,20Ф,50Ф лицензии как обычно в Атол Коннект
    10 Августа 2021, 20:35:00

Автор Тема: Сброс заводского номера на плате ФР Эвотор 7.2  (Прочитано 16632 раз)

0 Пользователей и 2 Гостей просматривают эту тему.

Оффлайн astronavt

  • Новичок
  • *
  • Сообщений: 4
Добрый день. Заменил на кассе фискальную плату на б.у. Пытаюсь сбросить заводской номер через сервисную прошивку. Сервисную прошивку скачал из Файлового менеджера. Касса не перепрошивается. Версия ККТ 5421. Перепрошивал кассу через иннструкцию. Подскажите пожалуйста, что делаю не так. Как прошить кассу, чтоб сбросить заволской номер ?
 

Оффлайн vvm

  • Администратор
  • Ветеран
  • *****
  • Сообщений: 4503
  • Похвалили: 1855 раз(а)
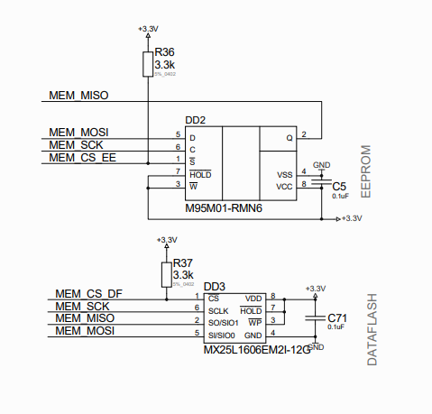
Зав номер поди в DD2 или DD3. Потереть их или со старой платы перетащить.
 

Оффлайн astronavt

  • Новичок
  • *
  • Сообщений: 4
 Как это сделать программно?
 

Оффлайн Niro

  • Наш человек
  • Пользователь
  • **
  • Сообщений: 80
  • Похвалили: 12 раз(а)
Зав номер поди в DD2 или DD3. Потереть их или со старой платы перетащить.
Номер в DD3 25L8006. Если на старой плате исправная, то перепаять. Если нет, то отпаять с исправной платы и на программаторе поменять номер. Он в самом начале, и в явном виде.
 
Это сообщение считают полезным: vvm